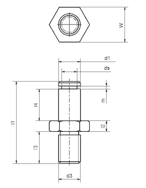
Als Zubehör zu den Gelenkköpfen der Maßreihe K dienen Vollkunststoff-Passschrauben mit zugehörigen Sicherungsringen. Die igubal®-Passschrauben bestehen im Gegensatz zu den anderen „schwarzen“ Bestandteilen der igubal®-Lagerkomponenten aus dem Werkstoff POM.
PKRM-05


